Tsurumi NKZ szivattyúk

Tsurumi NKZ3-C3

  • szörcsögő üzemmód megengedett
  • kopásálló anyagok
  • speciálisan szigetelt kábelcsatlakozás
  • többszörös beázás elleni védelem
  • robosztus kialakítás
  • szárazonfutás megengedett
  • hosszú élettartam
Motorteljesítmény
2,2 kW
Kifolyócső átmérő
80 mm
Tápfeszültség
400 V
Max. emelési magasság
12,6 m
Max. szállítás
930 liter/perc
Tömeg
91 kg
Szivattyúzható folyadék
esővíz, homokos víz, talajvíz, iszapos víz
Kábelhossz
20 m
Max. szemcseátmérő
30 mm
Járókerék típus
kopásálló félig-nyitott vortex
Opcionális szintkapcsoló
igen
Tsurumi NKZ3-C3  jelleggörbéje

Tsurumi NKZ keverőlapátos zagyszivattyú

Zagyszivattyú, általános felhasználású homokszivattyú nehéz üzemi körülményekre. A 4 pólusú motor hosszabb élettartamot és még nagyobb megbízhatóságot garantál.

Az NKZ szivattyúmodellek a felhasznált kopásálló anyagoknak, az egyszerű felépítésének, a túlméretezett motornak, az egyszerű szervizelhetőségnek és a japán műszaki megoldásoknakköszönhetően rendkívül elterjedtek az építőiparban. A centrifugál szivattyúnál nagy átömlési keresztmetszet áll rendelkezésre, ezáltal hatékonyan tudja továbbítani az iszapos, homokos koptató hatású közeget, zagyot, vizet.

A túlméretezett motorok, az olajemelő által biztosított olajkenés és olajhűtés, illetve a szivattyú felépítése biztosítja, hogy a Tsurumi szivattyúk folyamatos üzem esetén is ellenállnak a szárazon futásnak és a szörcsögő üzemmód is megengedett.

  • Kényszerkeverés: a motor tengelyének végére szerelt keverőlapát kényszerkeveréssel mozgásban tartja a folyadékot az iszap könnyű és hatékony továbbítása érdekében.

  • Oldalsó kifolyású A centrifugál szivattyúnál nagy átömlési keresztmetszet áll rendelkezésre, ezáltal hatékonyan tudja továbbítani az iszapos, homokos koptató hatású közeget, zagyot, vizet.

  • Hosszú élettartam, alacsony karbantartási igény: A csúszógyűrűt megelőző védelemmel látták el, a járókerék poliuretán gumiból, a szivattyúház pedig lágyacél öntvényből készül.

  • Tartós szivattyúház: Kopásálló vastag öntvény ház, hosszú élettartam, magas teljesítmény mellett. Mindössze három csavart kell eltávolítani a járókerékhez való hozzáféréshez, ami a karbantartást vagy a szivattyú tisztítását is leegyszerűsíti.

  • Műgyantás kábelkiöntés: A szivattyú belseje teljesen vízmentes. Minden egyes vezetékszál műgyantával van kiöntve, így kábelsérülés esetén sem kerülhet víz a motorba.

  • Olajemelő mechanizmus: A csúszógyűrűs tömítés csúszófelületei minden helyzetben (függőlegesen, vízszintesen, ferdén, alacsony olajszint esetén) kielégítő olajkenést kapnak, így a szivattyú folyamatosan üzemeltethető száraz, ill. szörcsögő üzemmódban is motorleégés nélkül.

  •  Csúszógyűrűs tömítés: Nem közvetlenül a járókerék alatt helyezkedik el, hanem védve van egy kopóhüvely és egy ajakos tömítés által. Ez a megoldás az alkalmazástól függően legalább fél év – 1 év időtartamig teljesen elzárja a szennyezett folyadék útját a csúszógyűrűhöz. 

  •  Zagyvédelem: Védőhüvely és „V” alakú kopógyűrű tartja távol a szennyeződéseket a tengelytől és a csúszógyűrűtől. 

  • Egyszerű karbantartás: Hosszú élettartamuk mellett a Tsurumi termékei az egyszerű karbantartás és gyors javíthatóság jegyében vannak tervezve.

    Egyszerű, mégis robosztus felépítésük azt jelenti, hogy alapvető szerszámok (csavarhúzó, villáskulcs) segítségével szétszerelhetőek, valamint ezen műveletek elvégzéséhez csak alapképzésre van szükségük a technikusoknak.

Jelleggörbe

Max. szállítás: 930 liter/perc

Max. emelési magasság: 12,6 m

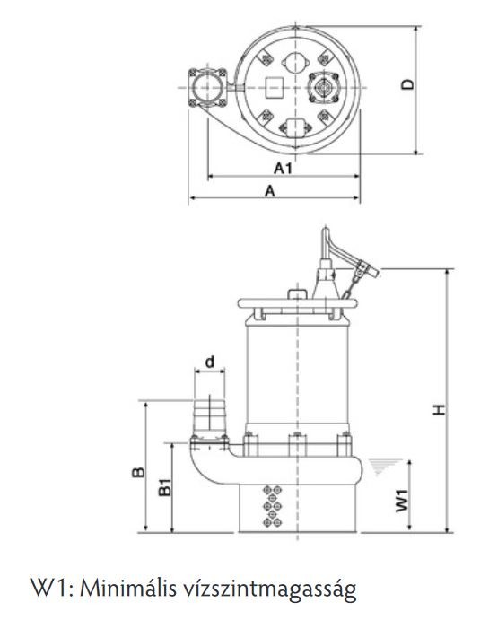
Tsurumi NKZ3-C3  méretei

Méretek mm-ben:

W1: Minimális vízszintmagasság

Modell

d

A

A1

B

B1

D

H

NKZ3-C3

80

467

405

371

249

370

664

Anyagminőség:

Kifolyócső ø, mm

80, 100, 150

Szivattyúzott folyadék

Folyadéktípus

Iszap, habarcs, homokot tartalmazó folyadék és/vagy bentonit

Hőmérséklet

0-40°C

Szivattyú

Komponensek

Járókerék

Nyitott típusú örvénykamrás járókerék

Tengely tömítés

Dupla mechanikus tömítés

Csapágyak

Zárt golyóscsapágy

Anyag

Járókerék

Krómacél öntvény

Ház

Szürke acél öntvény EN-GJL-200

Szívótárcsa

Krómacél öntvény

Tengely tömítés

Szilikon-karbid olajfürdőben

Motor

Típus, Pólusok

Indukciós motor, 4 pólusú

Motorvédelem (beépített)

Hőfokkapcsoló

Szigetelés

E szigetelési osztály, B szigetelési osztály

Kenés

Turbinaolaj (ISO VG32)

Fázis / Feszültség

3-fázis / 400V / 50Hz / direkt soros indítás

Anyag

Ház

Szürke acél öntvény EN-GJL-150

Tengely

Króm-molibdén acél (DIN 1.7220)

Kábel

Gumi, H07RN-F, Gumi, NSSHÖU

Kiegészítők

2" Storz csatlakozó NKZ3-C3-höz
Storz-csatlakozó
20m hosszú ipari tömlő 2" Storz csatlakozóval NKZ3-C3-höz
Tűzoltótömlő
Szivattyúra szerelhető úszókapcsoló NKZ3-C3-höz
Építőipari szintkapcsoló
Motorvédő kapcsoló beépített forgásirányjelző LED-del  NKZ3-C3-höz
Motorvédő kapcsoló beépített forgásirányjelző LED-del, üzemi áramra beállított motorvédelemmel