Tsurumi BZ szivattyúk

Tsurumi 100BZ411

  • speciálisan szigetelt kábelcsatlakozás
  • többszörös beázás elleni védelem
  • szárazonfutás megengedett
  • hosszú élettartam
  • könnyen szerelhető
  • szabadalmaztatott olajemelő
  • minimális elektronika a házban
Motorteljesítmény
11 kW
Kifolyócső átmérő
100 mm
Tápfeszültség
400 V
Max. emelési magasság
26,0 m
Max. szállítás
3575 liter/perc
Tömeg
219,0 kg
Szivattyúzható folyadék
Ipari szennyvíz, kommunális szennyvíz, hígtrágya, csapadékvíz
Kábelhossz
10 m
Járókerék típus
Egycsatornás
Átömlési keresztmetszet
80 mm
Opcionális talpaskönyök készlet
igen
Fordulatszám
1450 ford./perc
Tsurumi 100BZ411  jelleggörbéje

Bemutatás

Jelleggörbe

Max. szállítás: 3575 liter/perc

Max. emelési magasság: 26,0 m

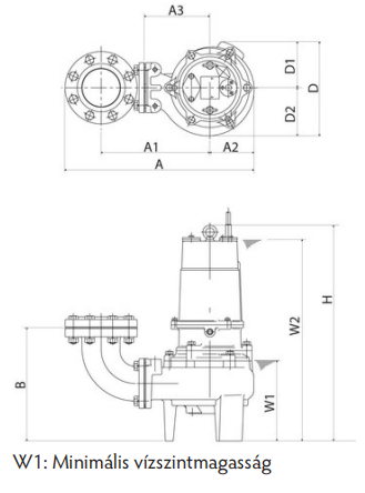
Tsurumi 100BZ411  méretei

Méretek

W1: Minimális vízszintmagasság

Modell

A

A1

A2

A3

B

D

D1

D2

H

W1

W2

100BZ411

727

407

215

280

377

431

205

226

1023

330

865

Anyagminőség

Ajánlott folyadéktípus:

Komunális szennyvíz

Folyadék hőmérséklet:

0-40 °C

Járókerék:

Eltömődésmentes járókerék

Tengelytömítés:

Dupla mechanikus tömítés

Csapágyak:

Zárt golyóscsapágy

Járókerék anyaga:

Szürke acélöntvény EN-GJL-200

Sziv. ház anyaga:

Szürke acélöntvény EN-GJL-200

Szívótárcsa anyaga:

Szürke acélöntvény EN-GJL-200

Tengelytömítés:

Szilikon-karbid olajfürdőben

Motortípus:

4 pólusú indukciós

Motorvédelem:

Hőfokkapcsoló

Szigetelés:

F szigetelési osztály

Kenés:

Turbinaolaj (ISO VG32)

Motor ház anyaga:

Szürke acélöntvény EN-GJL-150

Motor tengely anyaga:

Rozsdamentes acél

Kábel anyaga:

Gumi, H07RN-F

Kifolyócső csatlakozás:

Belső menet, karima

Kiegészítők

2" Storz csatlakozó 100BZ411 szivattyúhoz
Storz-csatlakozó
20m hosszú ipari tömlő 2" Storz csatlakozóval 100BZ411 szivattyúhoz
Tűzoltótömlő
Talpaskönyök 100BZ411 szivattyúhoz
Talpaskönyök készlet
Tömlő 100BZ411 szivattyúhoz
Erősített merevfalú tömlő
90°-os könyök 100BZ411 szivattyúhoz
90°-os könyök
Szivattyúra szerelhető úszókapcsoló 100BZ411 szivattyúhoz
Szintkapcsoló
FLAD TEG 34 DN80 FLYGT ADAPTER  2
Flygt adapter
Közdarab vezetőkörömhöz
Közdarab egyéb vezetőkörömhöz